H41W/H Stainless Steel Lift Check Valve
Product overview
Product model: H41W/H
Nominal diameter: DN50 ~ 400mm
Pressure range: PN10 ~ 160MPa
Operating temperature: -196℃ ~ +560℃
Main material: carbon steel, stainless steel, alloy steel
Design and manufacture: GB12236
Structure length: GB12221
Connection flange: JB/T79-1994
Test and inspection: JB/T9092-1999
H41W/H Stainless Steel Lift Check Valve product Overview
H41W/H Stainless Steel Lift Check Valve produced and sold by Baigang valve group for medium and small diameter pipeline pressure,
temperature and medium control connected to or cut off the pipeline
medium opening and closing device; rely on valve flap weight and fluid
pressure automatically stop fluid backflow .
H41W/H Stainless Steel Lift Check Valve features
1,
when the medium flows into the valve body by the arrow of the body, the
pressure of the medium acts on the valve flap to generate an upward
thrust force, and when the medium thrust force is greater than the
gravity of the valve flap, the valve is opened. When the valve medium
pressure on the role of the valve with the force of the valve itself is
greater than the pressure before the valve pressure on the role of the
valve, the valve closed to prevent the media back.
2, lifting check valve has the advantages of simple structure,
reliable operation, easy maintenance, widely used in purification
equipment, petroleum, chemical, metallurgy, electric power, textile and
other production processes.
H41W/H Stainless Steel Lift Check Valve performance specifications
| Body material |
Nominal pressure (MPa) |
Working temperature (℃) |
Suitable media | |
| Carbon steel | 1.6-6.4 | ≤425 | Water, oil, steam | |
| 10.0,16.0 | ≤450 | / | ||
| stainless steel | P | 1.6-16.0 | ≤200 | Nitric acids |
| R | / | / | Acetic acid | |
|
Chrome nickel-titanium heat-resistant steel |
PI | 1.6-6.4 | ≤550 | Oil, petroleum products |
| Chrome-molybdenum steel | 1.6-16.0 | ≤550 | oil | |
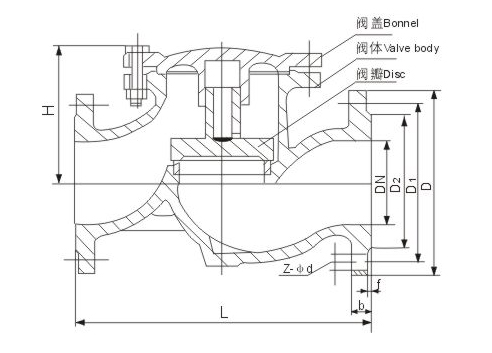
H41W/H Stainless Steel Lift Check Valve main dimensions

|
Nominal pressure PN |
Nominal diameter DN |
The main connection size |
Overall dimensions |
||||||||
| L | D | D 1 | D 2 | D 6 | b | f | f 1 | Z-φd | H | ||
| 1.6MPa | 40 | 200 | 145 | 110 | 85 | - | 16 | 2 | - | 4-18 | 95 |
| 50 | 230 | 160 | 125 | 100 | - | 16 | 2 | - | 4-18 | 105 | |
| 65 | 290 | 180 | 140 | 120 | - | 18 | 2 | - | 4-18 | 120 | |
| 80 | 310 | 195 | 165 | 135 | - | 20 | 3 | - | 8-18 | 130 | |
| 100 | 350 | 215 | 180 | 155 | - | 20 | 3 | - | 8-18 | 140 | |
| 125 | 400 | 245 | 210 | 185 | - | 22 | 3 | - | 8-12 | 155 | |
| 150 | 480 | 280 | 240 | 210 | - | 24 | 3 | - | 8-23 | 180 | |
| 200 | 600 | 335 | 295 | 265 | - | 26 | 3 | - | 12-23 | 215 | |
Reminder:
All text, data and pictures in this article are for reference only.To see more details of the H41W/H Stainless Steel Lift Check Valve performance parameters, structural dimension parameters, pricing, etc., or to request high quality printing samples, please Contact us.