D373W/H Wafer Metal Hard Seal Butterfly Valve
Product overview
Product model: D373W/H
Nominal diameter: DN50~1200mm
Nominal pressure: PN0.6~10.0MPa
Applicable temperature: ≤400℃
Applicable medium: water, oil, gas, acetic acid, nitric acid and other media
Body material: WCB CF8 CF8 chromium molybdenum steel low temperature steel nickel alloy
Drive mode: worm gear drive, electric, pneumatic, hydraulic
Design specification: GB/T 12238 API609
Structure length: GB/T 12221 API609 ASME B16.10
Connection: GB/T 9113 API609 ASME B16.5 ISO5752
Test and inspection: GB/T 13927 API598
D373W/H Wafer Metal Hard Seal Butterfly Valve products use
Baigang valve group production sales D373W/H Wafer Metal Hard Seal Butterfly Valve adopts precision J elastic sealing ring and triple eccentric metal hard seal structure, multi-level is widely used in medium temperature of 400 ℃ or less metallurgy, electric power, petrochemical industry, water supply and drainage, and municipal construction and other industrial pipelines, used to adjust flow cutoff and body.
D373W/H Wafer Metal Hard Seal Butterfly Valve Features
1, the clamp metal multi-level butterfly valve butterfly valve connection structure is simple, easy installation and removal, light weight. Metal seal butterfly valve with three eccentric seal structure, the valve seat and disc almost no wear, with the more the more tight sealing function.
2, the ring made of stainless steel, with the advantages of both metal seal and flexible seal, both in the case of low temperature and high temperature, have excellent sealing performance, with corrosion resistance, long service life and so on.
3, the butterfly plate sealing surface using welding cobalt-based hard alloy, sealing surface wear-resistant, long service life.
4, Large-format butterfly plate frame structure, high strength, large flow area, small flow resistance.
5, the metal seal butterfly valve has a two-way sealing function, the installation is not subject to restrictions on the flow of media, but also the impact of space location, can be installed in any direction.
6, the drive can be multi-station (rotated 90 ° or 180 °) installation, user-friendly.
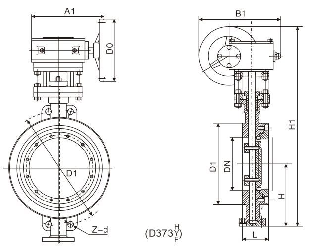
D373W/H Wafer Metal Hard Seal Butterfly Valve Dimensions

PN (6,10) MPa
|
DN |
Dimensions |
Connection size |
|||||||
|
L |
H |
D73H / D373H / D673H / D973H |
PN0.6MPa |
PN1.0MPa |
|||||
| H1 | A1 | B1 | D1 | Zd | D1 | Zd | |||
| 50 | 43 | 112 | 350 | 180 | 200 | 110 | 4-14 | 125 | 4-18 |
| 65 | 46 | 115 | 370 | 180 | 200 | 130 | 4-14 | 145 | 4-18 |
| 80 | 64 | 120 | 380 | 180 | 200 | 150 | 4-18 | 160 | 8-18 |
| 100 | 64 | 138 | 420 | 180 | 200 | 170 | 8-18 | 180 | 8-18 |
| 125 | 70 | 164 | 460 | 180 | 200 | 200 | 8-18 | 210 | 8-18 |
| 150 | 76 | 175 | 555 | 270 | 280 | 225 | 8-18 | 240 | 8-22 |
| 200 | 89 | 208 | 605 | 270 | 280 | 280 | 12-18 | 295 | 8-22 |
| 250 | 114 | 243 | 680 | 270 | 280 | 335 | 12-22 | 350 | 12-22 |
| 300 | 114 | 283 | 800 | 380 | 420 | 395 | 12-22 | 400 | 12-22 |
| 350 | 127 | 310 | 835 | 380 | 420 | 445 | 16-22 | 460 | 16-22 |
| 400 | 140 | 340 | 915 | 450 | 470 | 495 | 16-22 | 515 | 16-26 |
| 450 | 152 | 380 | 960 | 480 | 490 | 550 | 16-22 | 565 | 20-26 |
| 500 | 152 | 410 | 1020 | 480 | 490 | 600 | 20-22 | 620 | 20-26 |
| 600 | 178 | 470 | 1225 | 480 | 490 | 705 | 20-26 | 725 | 20-30 |
| 700 | 229 | 550 | 1355 | 640 | 660 | 810 | 24-26 | 840 | 24-30 |
| 800 | 241 | 640 | 1470 | 640 | 660 | 902 | 24-30 | 950 | 24-33 |
| 900 | 241 | 710 | 1545 | 750 | 860 | 1020 | 24-30 | 1050 | 28-33 |
| 1000 | 300 | 770 | 1795 | 850 | 900 | 1120 | 28-30 | 1160 | 28-36 |
| 1200 | 360 | 890 | 1965 | 850 | 900 | 1340 | 32-33 | 1380 | 32-39 |
PN (16,25) MPa
|
DN |
Dimensions |
Connection size |
|||||||
|
L |
H |
D73H / D373H / D673H / D973H |
PN1.6MPa |
PN2.5MPa |
|||||
| H1 | A1 | B1 | D1 | Zd | D1 | Zd | |||
| 50 | 43 | 112 | 350 | 180 | 200 | 125 | 4-18 | 125 | 4-18 |
| 65 | 46 | 115 | 370 | 180 | 200 | 145 | 4-18 | 145 | 8-18 |
| 80 | 49 | 120 | 380 | 180 | 200 | 160 | 8-18 | 160 | 8-18 |
| 100 | 56 | 138 | 420 | 180 | 200 | 180 | 8-18 | 190 | 8-22 |
| 125 | 64 | 164 | 460 | 180 | 200 | 210 | 8-18 | 220 | 8-26 |
| 150 | 70 | 175 | 555 | 270 | 280 | 240 | 8-22 | 250 | 8-26 |
| 200 | 71 | 208 | 605 | 270 | 280 | 295 | 12-22 | 310 | 12-26 |
| 250 | 76 | 243 | 680 | 270 | 280 | 335 | 12-26 | 370 | 12-30 |
| 300 | 83 | 283 | 825 | 380 | 420 | 410 | 12-26 | 430 | 16-30 |
| 350 | 92 | 310 | 900 | 380 | 420 | 470 | 16-26 | 490 | 16-33 |
| 400 | 102 | 340 | 980 | 450 | 470 | 525 | 16-30 | 550 | 16-36 |
| 450 | 114 | 380 | 1030 | 480 | 490 | 585 | 20-30 | 600 | 20-36 |
| 500 | 127 | 410 | 1105 | 480 | 490 | 650 | 20-33 | 660 | 20-36 |
| 600 | 154 | 470 | 1310 | 480 | 490 | 770 | 20-36 | 770 | 20-39 |
| 700 | 165 | 550 | 1435 | 640 | 660 | 840 | 24-36 | 875 | 24-42 |
| 800 | 190 | 640 | 1605 | 640 | 660 | 950 | 24-39 | 990 | 24-48 |
| 900 | 203 | 710 | 1745 | 750 | 860 | 1050 | 28-39 | 1090 | 28-48 |
| 1000 | 216 | 770 | 1885 | 850 | 900 | 1170 | 28-42 | 1210 | 28-56 |
| 1200 | 254 | 890 | 2105 | 850 | 900 | 1390 | 32-48 | 1420 | 32-56 |
Reminder:
All text, data and pictures in this article are for reference only.To see more details of the D373W/H Wafer Metal Hard Seal Butterfly Valve performance parameters, structural dimension parameters, pricing, etc., or to request high quality printing samples, please Contact us.