Q94F/Y/H電動偏心半球閥
產品概況
產品型號:Q94F/Y/H
公稱通徑:DN40~800mm
公稱壓力:PN1.0~4.0MPa
適用溫度:≤425℃
適用介質:煤粉、煤灰、含塵、氣體
法蘭連接尺寸:GB/T 9113.1-2000.ASME/ANSI 16.5
結構長度:GB 12221-2005,ASNE B16.10
制造和驗收:GB12237-89,API 6D
壓力試驗按JB/T9092-1999,GB/T13927-92,AP1598
Q94F/Y/H 電動偏心半球閥概述:
百鋼閥門集團生產銷售的Q94F/Y/H電動偏心半球閥是用于噴煤粉、控制法氣體、含顆粒流體及粉沫固體介質輸送的設備,應用于冶金、選礦生產的煤粉噴吹專用閥。
Q94F/Y/H電動偏心半球閥特點:
1、解決了工業生產中的漿狀、混流液體、灰塵等介質在管道輸送中沉淀、易結垢、阻塞,使閥門關不嚴等問題。
2、開關輕便,開啟時球與殼體脫離,無任何接觸,啟動扭矩小,轉動靈活。關閉時,半球與閥座的擠切作用能除去密封面上的污物,使閥門順利啟閉,安全系數高,密封性能好。
3、密封面的偏心結構,使球面能自動補償磨損,能保持閥門的密封,使用壽命長。
4、該閥門T型是屬于耐磨硬密封球閥,它的密封副材料是特殊的,密封面要經過特殊耐磨處理。處理后表面達到HRC65-72度,故閥門的耐磨性能特別好。
5、閥門表面油漆,有常溫和高溫兩種。高溫用耐溫600℃的進口漆,噴涂后,高溫使用不燒漆、炭化、焦化現象。不變色。
Q94F/Y/H電動偏心半球閥主要性能參數及執行標準:
| 公稱壓力MPa | 1.0 | 1.6 | 2.5 | 4.0 |
| 閥門強度試驗壓力MPa | 1.5 | 2.4 | 3.8 | 6.0 |
| 閥門密封試驗壓力MPa | 1.1 | 1.8 | 2.8 | 4.5 |
| 適用溫度℃ | ≤425℃ ≤325℃常溫 | |||
| 適用介質 | 煤粉、煤灰、含塵、氣體 | |||
| 法蘭標準 | JB/T82.1-94 | |||
| 閥門結構長度標準 | GB12221-89 | |||
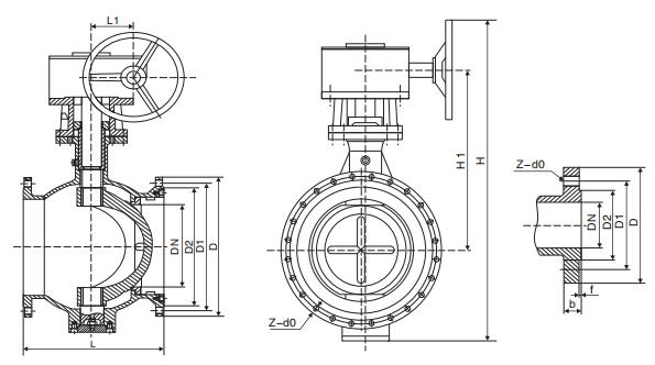
Q94F/Y/H電動偏心半球閥主要外形和連接尺寸:

| 公稱壓力 PN (MPa) | 公稱通徑 DN | 尺 寸(mm) | ||||||||
| L | D 系列1/系列2 | D1 | D2 | D6 | b | f | Z-φd | |||
| mm | in | 法蘭 | ||||||||
| 1.0 | 40 | - | 125 | 145 | 110 | 85 | - | 16 | 3 | 4-18 |
| 50 | - | 140 | 160 | 125 | 100 | - | 16 | 3 | 4-18 | |
| 65 | - | 190 | 180 | 145 | 120 | - | 18 | 3 | 4-18 | |
| 80 | - | 178 | 195 | 160 | 135 | - | 20 | 3 | 4-18 | |
| 100 | - | 200 | 215 | 180 | 155 | - | 20 | 3 | 8-18 | |
| 125 | - | 254 | 245 | 210 | 185 | - | 22 | 3 | 8-18 | |
| 150 | - | 267 | 280 | 240 | 210 | - | 24 | 3 | 8-23 | |
| 200 | - | 292 | 335 | 295 | 265 | - | 24 | 3 | 8-23 | |
| 250 | - | 330 | 390 | 350 | 320 | - | 26 | 3 | 12-23 | |
| 300 | - | 390 | 440 | 400 | 368 | - | 26 | 4 | 12-23 | |
| 350 | - | 430 | 500 | 460 | 428 | - | 28 | 4 | 16-23 | |
| 400 | - | 530 | 565 | 515 | 482 | - | 28 | 4 | 16-25 | |
| 450 | - | 580 | 615 | 565 | 532 | - | 30 | 4 | 20-25 | |
| 500 | - | 630 | 670 | 620 | 585 | - | 30 | 4 | 20-25 | |
| 600 | - | 800 | 480 | 725 | 685 | - | 34 | 5 | 20-30 | |
| 700 | - | 900 | 895 | 840 | 800 | - | 38 | 5 | 24-30 | |
| 800 | - | 1000 | 1010 | 950 | 905 | - | 42 | 5 | 24-34 | |
| 1.6 | 40 |
|
|
|
|
|
|
|
|
|
溫馨提示:
本文中所有文字、數據、圖片均只適用于參考。需要查看更多的Q94F/Y/H電動偏心半球閥性能參數、結構尺寸參數、價格等詳情,或要求高質量印刷樣本,請聯系我們。